» Home » What we do » PFC function power supply » RSP-500
RSP-500
The RSP-500 series consists of single-output, enclosed switching power supplies. These products feature built-in active power factor correction (PFC) and are designed in a low-profile 1U form factor (only 40.5 mm high), making them ideal for space-constrained industrial applications.
Online Service
Product Detail
MODEL
RSP-500-3.3
RSP-500-4
RSP-500-5
RSP-500-12
RSP-500-15
RSP-500-24
RSP-500-27
RSP-500-48
OUTPUT
DC VOLTAGE
3.3V
4V
5V
12V
15V
24V
27V
48V
RATED CURRENT
90A
90A
90A
41.7A
33.4A
21A
18.6A
10.5A
CURRENT RANGE
0~90A
0~90A
0~90A
0~41.7A
0~33.4A
0~21A
0~18.6A
0~10.5A
RATED POWER
297W
360W
450W
500.4W
501W
504W
502.2W
504W
RIPPLE & NOISE (max.)
120mVp-p
120mVp-p
150mVp-p
150mVp-p
150mVp-p
150mVp-p
150mVp-p
150mVp-p
VOLTAGE ADJ. RANGE
2.8~3.6V
3.6~4.3V
4.5~5.5V
10~13.2V
13.5~18V
20~26.4V
26~30V
41~56V
VOLTAGE TOLERANCE
±2.0%
±2.0%
±2.0%
±1.0%
±1.0%
±1.0%
±1.0%
±1.0%
LINE REGULATION
±0.5%
±0.5%
±0.5%
±0.3%
±0.3%
±0.2%
±0.2%
±0.2%
LOAD REGULATION
±1.0%
±1.0%
±1.0%
±0.5%
±0.5%
±0.5%
±0.5%
±0.5%
SETUP, RISE TIME
1500ms, 80ms/230VAC 3000ms, 80ms/115VAC at full load
HOLD UP TIME
18ms/230VAC 14ms/115VAC at full load
INPUT
VOLTAGE RANGE
85~264VAC 120~370VDC
FREQUENCY RANGE
47~63Hz
POWER FACTOR
PF>0.95/230VAC PF>0.98/115VAC at full load
EFFICIENCY
81%
83%
84%
88%
88%
89%
89.5%
90.5%
AC CURRENT
4.2A/115VAC 2.1A/230VAC 5.3A/115VAC 2.65A/230VAC
INRUSH CURRENT
20A/115VAC 40A/230VAC
LEAKAGE CURRENT
<2mA/240VAC
PROTECTION
OVER LOAD
105~130% rated output power
Protection type: Constant current limiting, recovers automatically after fault condition is removed
OVER VOLTAGE
3.8~4.5V
4.5~5.3V
5.75~6.75V
13.8~16.2V
18.8~21.8V
27.6~32.4V
32.9~38.3V
58.4~68V
Protection type: Shut down o/p voltage, re-power on to recover
OVER TEMPERATURE
Shut down o/p voltage, recovers automatically after temperature goes down
FUNCTION
REMOTE CONTROL
POWER ON:open or 0~0.8VDC between RC+(Pin 4)&RC-(Pin3) on CN100
POWER OFF:4~10VDC between RC+(Pin 4)&RC-(Pin3) on CN100
REMOTE SENSE
Compensate voltage drop on the load wiring up to 0.3V
FAN CONTROL
RTH2±50°C±10°C Fan on; RTH2±40°C±10°C Fan off (Fan always on for 3.3~5V,Fan ON/OFF control for 12~48V)
ENVIRONMENT
WORKING TEMP.
-30~+70°C (Refer to "Derating Curve")
WORKING HUMIDITY
20~90% RH non-condensing
STORAGE TEMP., HUMIDITY
-40~+85°C, 10~95% RH
TEMP. COEFFICIENT
±0.03%/°C (0~50°C)
VIBRATION
10~500Hz, 2G 10min./1cycle, 60min. each along X, Y, Z axes
SAFETY & EMC
SAFETY STANDARDS
UL62368-1, TUV EN62368-1, EAC TP TC 004, CCC GB4943.1, BSMI CNS14336-1approved
WITHSTAND VOLTAGE
I/P-O/P:3KVAC I/P-FG:2KVAC O/P-FG:0.5KVAC
ISOLATION RESISTANCE
I/P-O/P, I/P-FG, O/P-FG:100M Ohms / 500VDC / 25°C / 70% RH
EMC EMISSION
Compliance to EN55032 (CISPR32) Class B, EN61000-3-2,3, EAC TP TC 020,GB/T 9254, CNS13438 Class B
EMC IMMUNITY
Compliance to EN61000-4-2,3,4,5,6,8,11, EN55024, EN61000-6-2, criteria A, EAC TP TC 020
OTHERS
MTBF
187.7K hrs min. MIL-HDBK-217F (25°C)
DIMENSION
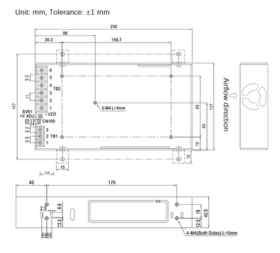
230*127*40.5mm (L"W"H)
PACKING
1.3Kg; 9pcs/12.7Kg/0.7CUFT









Online Inquiry


-134213.jpg)





-125621-170631.jpg)


